Circuit example of stepping motor control introduced
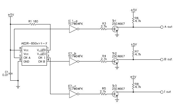
それでは実際に、エンコーダを使ってステッピングモーターを制御する回路を紹介しましょう。図4に、当社(Avago Technologies)製のエンコーダ「AEDR-8500シリーズ」を使用したモーターの制御回路の一例を示しました。このエンコーダの出力は、TTL(Transistor Transistor Logic)出力のため、最大出力電流が1.5mAです。何の工夫もせずにモーターと一緒に取り付けると、ステッピングモーターの駆動用パルス電流の影響で、エンコーダの出力パルスに雑音が重畳してしまいます。
そこで、オープンコレクタ出力形式にして、エンコーダの出力パルスを安定化するためにトランジスタ(Tr1、Tr2、Tr3)を使用しています。エンコーダの応答周波数によりトランジスタを選定します。このとき、一般増幅用よりはスイッチング用トランジスタを選定した方が、パルス波形の立ち上がり/立ち下がり特性への影響が少なくなります


トランジスタの前段に入っているインバータIC(IC1)は、オープンコレクタ出力を採用して出力パルスが反転してしまったものを、打ち消すために入っています。オープンコレクタ出力に使うトランジスタを選定するときのもう1つの注意点は、出力電流をどこまで流すか(どのくらいの負荷を想定するか)を決め、それに合うトランジスタを選定することです。一般に、エンコーダ出力パルスはカウンタに直接入力せずに、フォトカプラを介して入力しています。そこで、使用する予定のフォトカプラの駆動電流値をあらかじめ調べておきましょう。汎用的なフォトカプラですと、駆動電流値の範囲が数mA~数10mAですので、駆動電流値を決めるトランジスタのコレクタ電流が余裕のある値になるように設計しましょう。
プルアップ抵抗(R6、R7、R8)は、パルス出力の安定化(立ち上がり/立ち下がり特性の安定化)のために挿入していますので、それほど大きな電流は流す必要はありません。従って、抵抗値は数kΩ程度で十分です。AEDR-8500シリーズのLED端子に接続されている抵抗(R1)は、内蔵されているLEDを点灯させる電流を流す制限抵抗です。この抵抗値はエンコーダの製品シリーズごとに決まっていますので、データシートに記載されている推奨抵抗値をご確認ください。今回のAEDR-8500シリーズでは180Ωの抵抗を使用します。
「ドットインパクトプリンタ」に内蔵して使う
最後に、エンコーダとステッピングモーターを組み合わせたアプリケーションとして、「ドットインパクトプリンタ」と「リニアアクチュエータ」の2つ紹介しましょう。
ドットインパクトプリンタとは、印字したい用紙とインクリボンに対して、小さなピンを打ち付け、インクリボンの色を用紙に転写する方式のプリンタです。原理上、ピンを打ち付ける構造のため、印字するたびに打音が発生することが特徴です。ピンの配置間隔はさまざまですが、現在のところ、180dpiや360dpiが主流となっているようです。
ドットインパクトプリンタと組み合わせて利用できるエンコーダとしては、Avago Technologiesの「HEDS-9730シリーズ」の180LPIモデル「HEDS-9730-Q50」などがあります。全体のシステム構成は図5の通りです。モーターは高速で回転する必要はありませんが、制御しやすく、起動時に高トルクが発生するステッピングモーターを使用することにします。ヘッド移動用と紙送り用に2つのモーターを使用し、この2つの駆動部分にエンコーダを組み合わせます。
ステッピングモータエンコーダ回路は、前述のオープンコレクタ出力回路を採用します。LED点灯用の制限抵抗がエンコーダに内蔵されている場合、外部に取り付ける必要はありません。Vccとグラウンド(GND)の間に、エンコーダを駆動する電源を接続します。エンコーダからは、A相とB相が出力されます。その出力波形を、オープンコレクタ出力を介して、プルアップ抵抗を経て出力として取り出します。
プリンタのヘッド部分に取り付けたエンコーダからは、ドットピンの配置間隔と同じ180dpi(25.4mm/180=0.141mm)間隔相当のA相、B相パルス信号が出力されます。このA相とB相のパルス信号を基に、制御側でプリンタヘッドの位置を確認しながら、印字したい文字に合わせてドットピンを打ち出していきます。このプリンタヘッドが用紙の端までいくと、紙送り用モーターが回転し、用紙を所定の位置まで移動させます。この送り量も正確に回転させないと、最初に印字した位置とズレてしまうので、エンコーダの出力パルス信号を基に制御します。
ドットインパクトプリンタがきれいに印字する仕組みを理解していただけたでしょうか。インクジェットプリンタも同様のシステムを使用しています。ドットピンがインクジェットに替わり、各色に対して制御する機構を追加する必要があります。
____________________________________________________
The inverter IC (IC1) in the front stage of the transistor is used to cancel what the output pulse was inverted by adopting the open collector output. Another consideration when selecting a transistor to be used for open collector output is to decide how far the output current is to flow (how much load is assumed), and select a transistor to match it. In general, the encoder output pulse is not directly input to the counter but is input via the optocoupler. Therefore, let's investigate the drive current value of the photocoupler that we plan to use beforehand. For a general-purpose photo coupler, design the drive current value range from several mA to several tens of mA so that the collector current of the transistor that determines the drive current value has a margin.
The pull-up resistors (R6, R7, R8) are inserted for stabilizing the pulse output (stabilizing the rising / falling characteristics), so it is not necessary to flow a large current. Therefore, the resistance value is sufficient about several kΩ. The resistor (R1) connected to the LED terminal of the AEDR - 8500 series is a limiting resistor that allows the current to turn on the built - in LED. Since this resistance value is determined for each product series of encoder, please check the recommended resistance value on the data sheet. In this AEDR - 8500 series we use a 180 Ω resistor.
Advertise on APSense
This advertising space is available.
Post Your Ad Here
Post Your Ad Here

Comments